Podział domu to proces, który często budzi wiele pytań, zwłaszcza tych dotyczących kosztów. W tym artykule szczegółowo omawiam, ile kosztuje usługa geodezyjna związana z podziałem domu, pomagam zrozumieć, od czego zależy ostateczna cena, i wskazuję, jakie dodatkowe opłaty mogą pojawić się w całym procesie.
Koszt pracy geodety przy podziale domu to 3000-6000 zł poznaj cały budżet.
- Sama usługa geodezyjna przy podziale domu to najczęściej wydatek rzędu 3000 - 6000 zł.
- Na ostateczną cenę wpływa głównie lokalizacja, stopień skomplikowania budynku oraz liczba wydzielanych lokali.
- Do kosztu pracy geodety należy doliczyć dodatkowe opłaty urzędowe, sądowe i notarialne.
- Podział budynku jest procesem znacznie bardziej złożonym i kosztownym niż prosty podział działki.
Ile naprawdę kosztuje podział domu przez geodetę
Kiedy mówimy o podziale domu, czyli o procesie ustanawiania odrębnej własności lokali, często pojawia się pytanie o cenę. Z mojego doświadczenia wynika, że sama usługa geodezyjna w tym zakresie to najczęściej wydatek rzędu 3000 - 6000 zł. Ważne jest, aby zrozumieć, że ten przedział cenowy dotyczy wyłącznie pracy geodety, a nie całego procesu. Podział budynku jest znacznie bardziej skomplikowany i kosztowny niż prosty podział działki na dwie części. Wymaga szczegółowej analizy i precyzyjnych pomiarów, co naturalnie przekłada się na wyższą cenę. Musimy pamiętać, że to dopiero początek wydatków; do tej kwoty należy doliczyć szereg dodatkowych opłat, które omówię w dalszej części artykułu.
Co wpływa na ostateczną wycenę pracy geodety
Cena za usługę geodezyjną związaną z podziałem domu nie jest stała i zależy od kilku kluczowych czynników, które każdy geodeta bierze pod uwagę, przygotowując wycenę. Poniżej przedstawiam te najważniejsze:
- Lokalizacja nieruchomości: Jest to jeden z podstawowych czynników. Ceny usług geodezyjnych w dużych miastach, takich jak Warszawa, Kraków czy Poznań, oraz w ich aglomeracjach, są zazwyczaj wyższe niż w mniejszych miejscowościach czy na terenach wiejskich. Wynika to z różnic w kosztach prowadzenia działalności i popytu na usługi.
- Stopień skomplikowania budynku: Im bardziej nieregularna bryła budynku, większa liczba kondygnacji czy obecność rozbudowanych części wspólnych (np. klatki schodowe, piwnice, strychy), tym bardziej pracochłonne są pomiary i inwentaryzacja. To bezpośrednio przekłada się na wyższy koszt usługi.
- Liczba wydzielanych lokali: Każdy samodzielny lokal, który ma powstać w wyniku podziału, wymaga osobnej dokumentacji i precyzyjnych pomiarów. Zatem im więcej lokali ma zostać wydzielonych, tym wyższy będzie koszt całkowity usługi geodezyjnej.
- Stan dokumentacji prawnej i technicznej: Jeśli brakuje aktualnych map, rzutów budynku lub istnieją niezgodności między stanem faktycznym a dokumentami (np. w księdze wieczystej), geodeta będzie musiał poświęcić więcej czasu na ich weryfikację lub uzupełnienie. To również może podnieść finalny koszt.
Za co dokładnie płacisz geodecie przy podziale domu
Kiedy decydujesz się na podział domu i ustanowienie odrębnej własności lokali, geodeta wykonuje szereg precyzyjnych czynności, które są niezbędne do prawidłowego przeprowadzenia całego procesu. Standardowa usługa, którą świadczę w takich przypadkach, obejmuje następujące etapy:
- Analiza dokumentacji prawnej i technicznej: Na początku zawsze dokładnie zapoznaję się z dostępnymi dokumentami, takimi jak księgi wieczyste, pozwolenia na budowę, projekty architektoniczne czy wcześniejsze inwentaryzacje. To pozwala mi zrozumieć specyfikę nieruchomości i zidentyfikować potencjalne problemy.
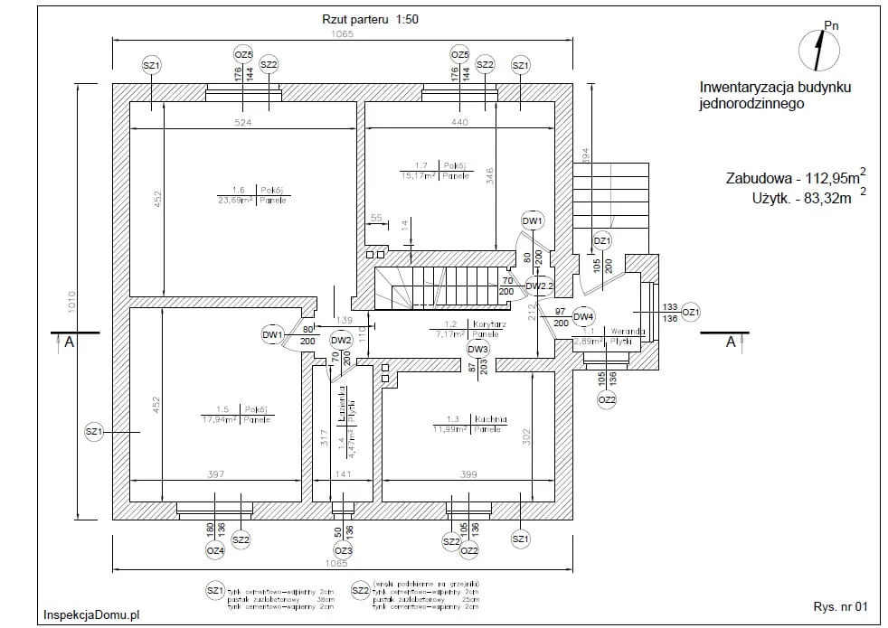
- Inwentaryzacja architektoniczno-budowlana budynku: Jest to kluczowy etap, podczas którego wykonuję precyzyjne pomiary wszystkich pomieszczeń, ich powierzchni oraz części wspólnych. Dzięki temu uzyskuję dokładny obraz stanu faktycznego budynku.
- Sporządzenie rzutów poszczególnych kondygnacji: Na podstawie zebranych pomiarów tworzę szczegółowe rzuty każdej kondygnacji, zaznaczając wszystkie ściany, otwory drzwiowe i okienne, a także elementy konstrukcyjne.
- Wykonanie kartoteki samodzielnego lokalu mieszkalnego (lub użytkowego): Dla każdego wydzielanego lokalu przygotowuję osobną kartotekę, która zawiera wszystkie niezbędne dane identyfikujące lokal, w tym jego powierzchnię, przeznaczenie i położenie w budynku.
- Obliczenie udziałów w nieruchomości wspólnej: Jest to niezwykle ważny element, polegający na precyzyjnym wyliczeniu, jaki udział w nieruchomości wspólnej (np. w gruncie, klatce schodowej, dachu) przypada na każdy z nowo powstałych lokali.
Poznaj dodatkowe opłaty i ukryte koszty podziału
Poza wynagrodzeniem dla geodety, proces podziału domu wiąże się z szeregiem dodatkowych opłat, które często są pomijane w początkowych kalkulacjach. Warto je poznać, aby uniknąć zaskoczeń i rzetelnie oszacować cały budżet. Poniżej przedstawiam te najczęściej występujące:
| Rodzaj opłaty | Szacunkowy koszt / Informacje |
|---|---|
| Zaświadczenie o samodzielności lokalu | Kilka lub kilkadziesiąt złotych za każdy lokal (opłata skarbowa, wydawane przez starostę/prezydenta miasta). |
| Opinia biegłego rzeczoznawcy | 1000 - 3000 zł lub więcej (wymagana w niektórych przypadkach, np. przy podziałach sądowych). |
| Opłaty sądowe | 1000 zł (przy zniesieniu współwłasności w trybie sądowym) lub 300 zł (przy zgodnym wniosku). |
| Koszty notarialne (taksa notarialna) | Zależna od wartości nieruchomości, ustalana indywidualnie przez notariusza. |
| Opłaty za odpisy z ksiąg wieczystych i wypisy z rejestru gruntów | Kilka lub kilkadziesiąt złotych za każdy dokument. |
Jak wygląda podział domu krok po kroku
Proces podziału domu, choć wydaje się skomplikowany, można przedstawić w kilku kluczowych krokach, które pomogą Ci zrozumieć, co Cię czeka. Z perspektywy klienta, wygląda to następująco:
- Zlecenie prac geodecie: Pierwszym krokiem jest znalezienie odpowiedniego geodety i zlecenie mu wykonania niezbędnej dokumentacji. Na tym etapie warto dokładnie omówić zakres prac i uzgodnić cenę.
- Prace pomiarowe i przygotowanie dokumentacji: Geodeta przeprowadza inwentaryzację budynku, wykonuje pomiary, sporządza rzuty kondygnacji oraz kartoteki samodzielnych lokali. To on przygotowuje całą niezbędną dokumentację techniczną.
- Uzyskanie zaświadczenia o samodzielności lokali: Po przygotowaniu dokumentacji geodezyjnej, należy złożyć wniosek do starosty (lub prezydenta miasta na prawach powiatu) o wydanie zaświadczenia o samodzielności lokali. Jest to kluczowy dokument potwierdzający, że wydzielone lokale spełniają wymogi prawne.
- Finalizacja u notariusza lub w sądzie: Ostatnim etapem jest prawna finalizacja podziału. Może to nastąpić poprzez zawarcie umowy notarialnej o ustanowieniu odrębnej własności lokali (jeśli wszyscy właściciele są zgodni) lub, w przypadku braku zgody, poprzez orzeczenie sądowe o zniesieniu współwłasności. Dokumentacja geodezyjna i zaświadczenie o samodzielności są niezbędnymi załącznikami do tych procedur.
Jak mądrze wybrać geodetę i nie przepłacić
Wybór odpowiedniego geodety to klucz do sprawnego i ekonomicznego przeprowadzenia podziału domu. Aby nie przepłacić i mieć pewność dobrze wykonanej usługi, polecam zastosować się do kilku sprawdzonych porad:
- Porównaj oferty kilku geodetów: Nie decyduj się na pierwszą lepszą ofertę. Skontaktuj się z kilkoma biurami geodezyjnymi, przedstaw im swoją sytuację i poproś o szczegółową wycenę. Różnice w cenach mogą być znaczące.
- Precyzyjnie ustal zakres usługi: Zawsze upewnij się, co dokładnie jest wliczone w podaną cenę. Czy obejmuje ona tylko pomiary, czy także pomoc w uzyskaniu zaświadczenia o samodzielności lokali, a może nawet przygotowanie dokumentacji dla sądu? Jasne określenie zakresu pozwoli uniknąć nieporozumień i dodatkowych kosztów w przyszłości.
- Weryfikuj doświadczenie wykonawcy: Szukaj geodety, który ma udokumentowane doświadczenie w podobnych zleceniach, czyli w podziałach domów i ustanawianiu odrębnej własności lokali. Możesz poprosić o referencje lub sprawdzić opinie w internecie. Doświadczony specjalista szybciej i sprawniej przeprowadzi cały proces.
